
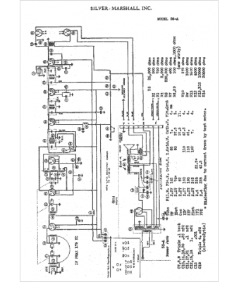
Marque :
Silver-Marshall
Modèle :
36A
Type appareil :
récepteur à tubes
Année :
1932
Pays d'origine :
États-Unis
