
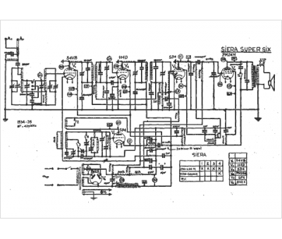
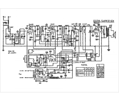
Marque :
Siera
Modèle :
Super Six
Type appareil :
récepteur
Pays d'origine :
Belgique
