
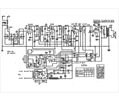
Marque :
Siera
Modèle :
Super 6
Type appareil :
récepteur à tubes
Année :
1934
Pays d'origine :
Belgique
