
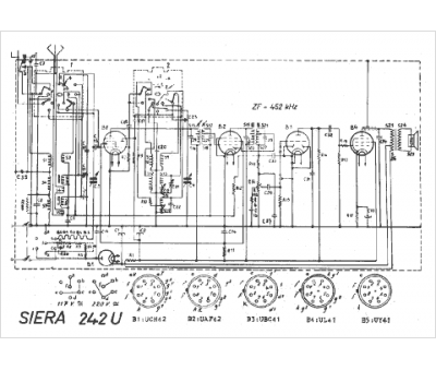
Marque :
Siera
Modèle :
242 U
Type appareil :
récepteur
Pays d'origine :
Belgique
