
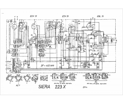
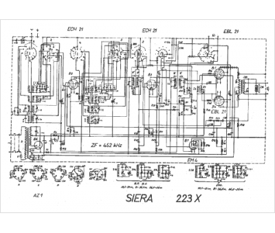
Marque :
Siera
Modèle :
223 X
Type appareil :
récepteur
Pays d'origine :
Belgique
