
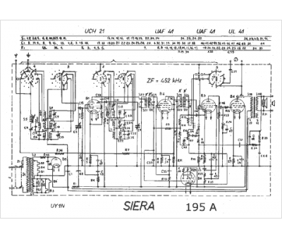
Marque :
Siera
Modèle :
195 A
Type appareil :
récepteur
Pays d'origine :
Belgique
