
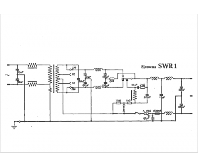
Marque :
Siemens
Modèle :
Vibreur SWR1
Type appareil :
récepteur à tubes
Pays d'origine :
Allemagne, Autriche
