
Marque :
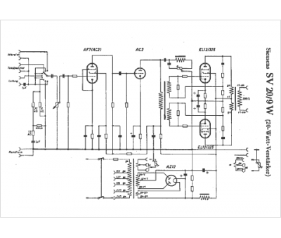
Siemens
Modèle :
SV 20-9 W
Type appareil :
récepteur à tubes
Pays d'origine :
Allemagne, Autriche
