
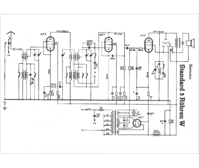
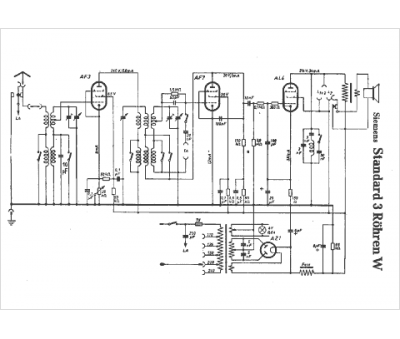
Marque :
Siemens
Modèle :
Standard 3 Rohren W
Type appareil :
récepteur à tubes
Pays d'origine :
Allemagne, Autriche
