
Marque :
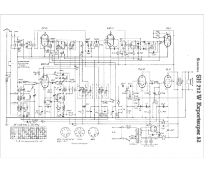
Siemens
Modèle :
SH 712 W
Type appareil :
récepteur à tubes
Pays d'origine :
Allemagne, Autriche
