
Marque :
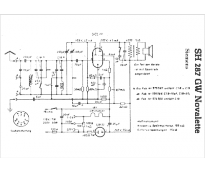
Siemens
Modèle :
SH 287 GW
Type appareil :
récepteur à tubes
Pays d'origine :
Allemagne, Autriche
