
Marque :
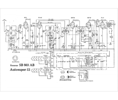
Siemens
Modèle :
SB 603 AB Autosuper 52
Type appareil :
récepteur à tubes
Pays d'origine :
Allemagne, Autriche
