
Marque :
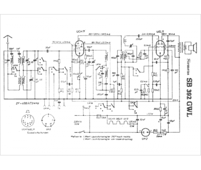
Siemens
Modèle :
SB 392 GWL
Type appareil :
récepteur à tubes
Pays d'origine :
Allemagne, Autriche
