
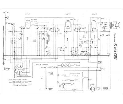
Marque :
Siemens
Modèle :
S 231 GW
Type appareil :
récepteur à tubes
Pays d'origine :
Allemagne, Autriche
