
Marque :
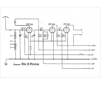
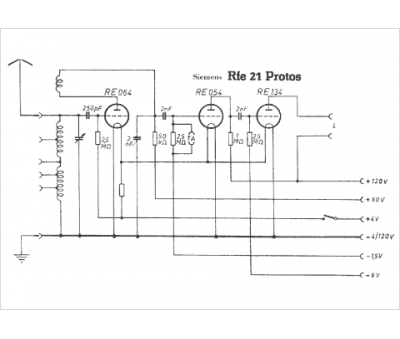
Siemens
Modèle :
Rfe 21 Protos
Type appareil :
récepteur à tubes
Pays d'origine :
Allemagne, Autriche
