
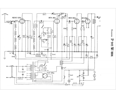
Marque :
Siemens
Modèle :
P 141 W/604
Type appareil :
récepteur à tubes
Pays d'origine :
Allemagne, Autriche
