
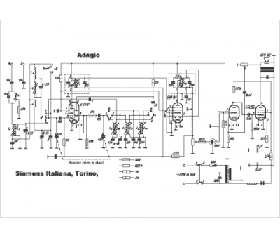
Marque :
Siemens Italiana
Modèle :
Adagio
Type appareil :
récepteur à tubes
Pays d'origine :
Italie
