
Marque :
Siemens & Halsk
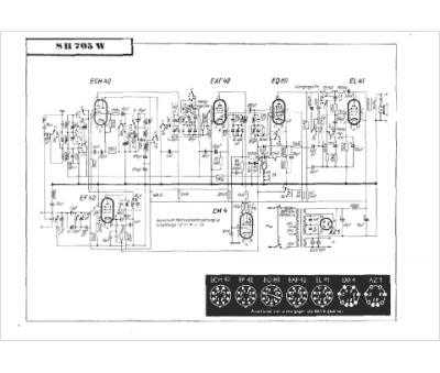
Modèle :
SH 705 W
Type appareil :
récepteur à tubes
Pays d'origine :
Allemagne
