
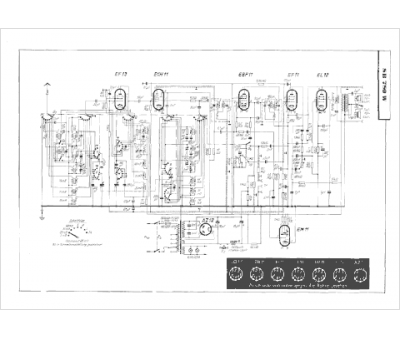
Marque :
Siemens & Halsk
Modèle :
SB 780 W
Type appareil :
récepteur à tubes
Pays d'origine :
Allemagne
