
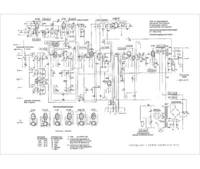
Marque :
Siemens
Modèle :
G 51 - K 53
Type appareil :
récepteur à tubes
Pays d'origine :
Allemagne, Autriche
