
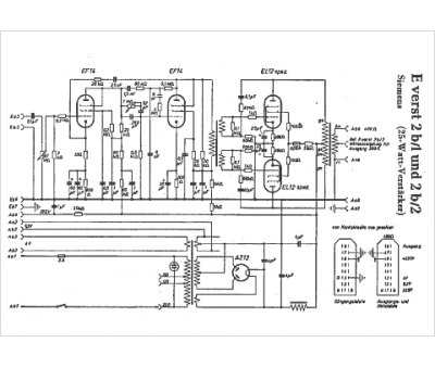
Marque :
Siemens
Modèle :
Everest 2B-2
Type appareil :
récepteur à tubes
Pays d'origine :
Allemagne, Autriche
