
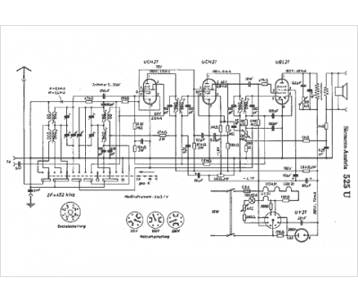
Marque :
Siemens-Austria
Modèle :
525 U
Type appareil :
récepteur à tubes
Pays d'origine :
Allemagne
