
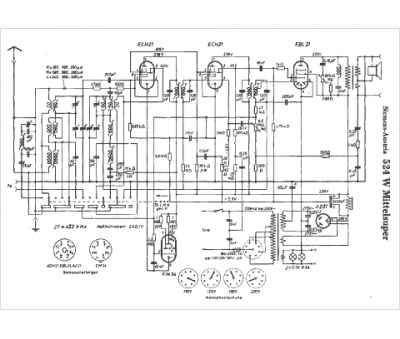
Marque :
Siemens-Austria
Modèle :
524 W
Type appareil :
récepteur à tubes
Pays d'origine :
Allemagne
