
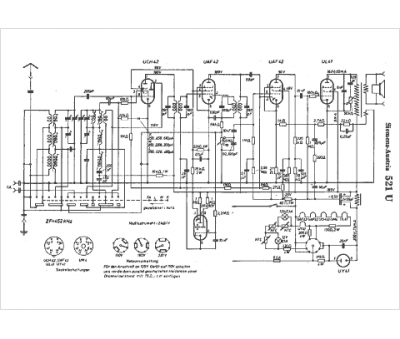
Marque :
Siemens-Austria
Modèle :
521 U
Type appareil :
récepteur à tubes
Pays d'origine :
Allemagne
