
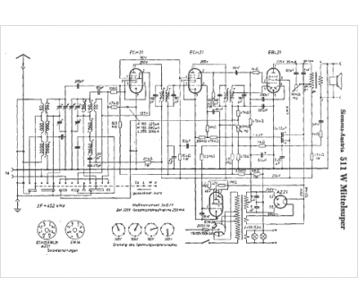
Marque :
Siemens-Austria
Modèle :
511 W
Type appareil :
récepteur à tubes
Pays d'origine :
Allemagne
