
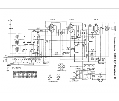
Marque :
Siemens-Austria
Modèle :
4690 UP
Type appareil :
récepteur à tubes
Pays d'origine :
Allemagne
