
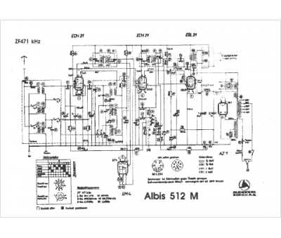
Marque :
Siemens-Albis
Modèle :
512 M
Type appareil :
récepteur à tubes
Pays d'origine :
Suisse
