
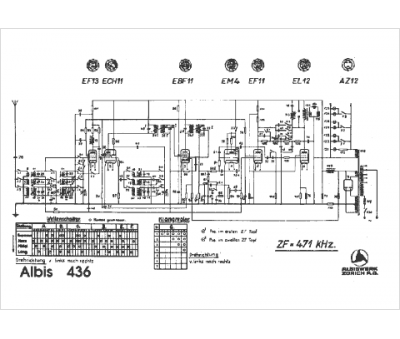
Marque :
Siemens-Albis
Modèle :
436
Type appareil :
récepteur à tubes
Pays d'origine :
Suisse
