
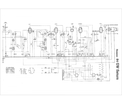
Marque :
Siemens
Modèle :
84 GW Saturn
Type appareil :
récepteur à tubes
Pays d'origine :
Allemagne, Autriche
