
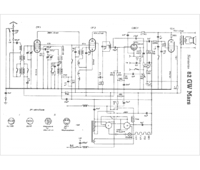
Marque :
Siemens
Modèle :
82 GW Mars
Type appareil :
récepteur à tubes
Pays d'origine :
Allemagne, Autriche
