
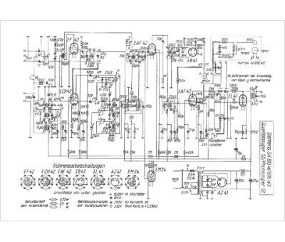
Marque :
Siemens
Modèle :
813 W
Type appareil :
récepteur à tubes
Pays d'origine :
Allemagne, Autriche
