
Marque :
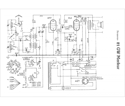
Siemens
Modèle :
81 GW Merkur
Type appareil :
récepteur à tubes
Pays d'origine :
Allemagne, Autriche
