
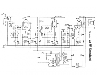
Marque :
Siemens
Modèle :
73 W Standard
Type appareil :
récepteur à tubes
Pays d'origine :
Allemagne, Autriche
