
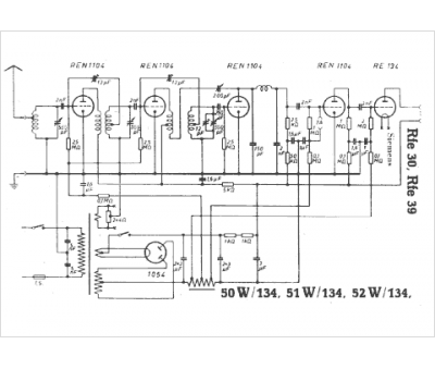
Marque :
Siemens
Modèle :
52 W/134
Type appareil :
récepteur à tubes
Pays d'origine :
Allemagne, Autriche
