
Marque :
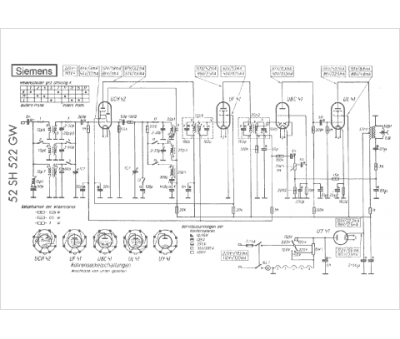
Siemens
Modèle :
52 SH 522 GW
Type appareil :
récepteur à tubes
Pays d'origine :
Allemagne, Autriche
