
Marque :
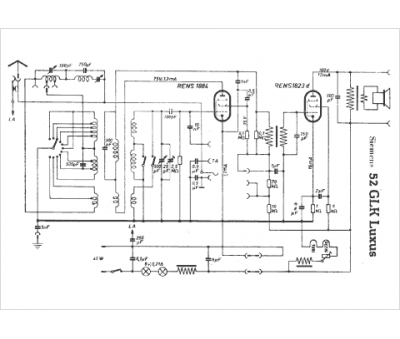
Siemens
Modèle :
52 GLK Luxus
Type appareil :
récepteur à tubes
Pays d'origine :
Allemagne, Autriche
