
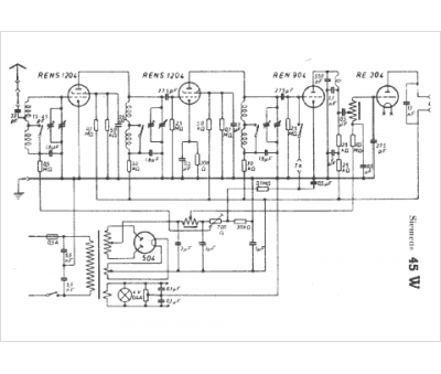
Marque :
Siemens
Modèle :
45 W
Type appareil :
récepteur à tubes
Pays d'origine :
Allemagne, Autriche
