
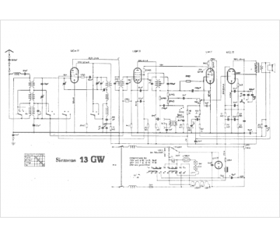
Marque :
Siemens
Modèle :
13 GW
Type appareil :
récepteur à tubes
Pays d'origine :
Allemagne, Autriche
