
Marque :
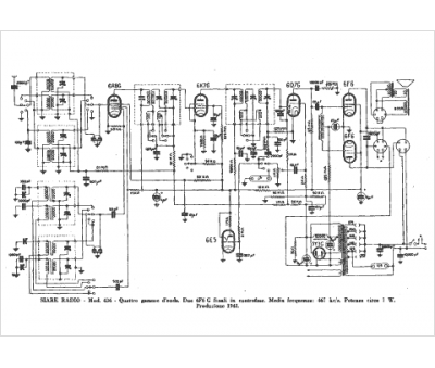
SIARE
Modèle :
436
Type appareil :
récepteur à tubes
Pays d'origine :
Italie
