
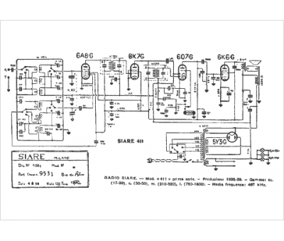
Marque :
SIARE
Modèle :
411 série I
Type appareil :
récepteur à tubes
Pays d'origine :
Italie
