
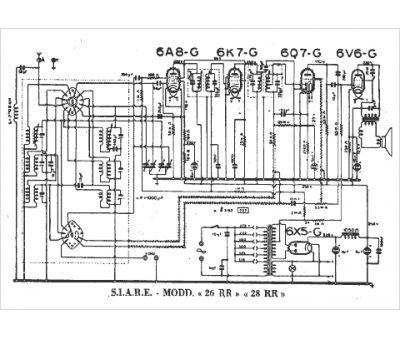
Marque :
SIARE
Modèle :
28 RR
Type appareil :
récepteur à tubes
Pays d'origine :
Italie
