
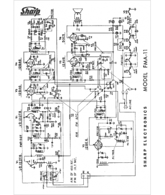
Marque :
Sharp
Modèle :
FMA-11
Type appareil :
récepteur à tubes
Année :
1965
Pays d'origine :
États-Unis
