
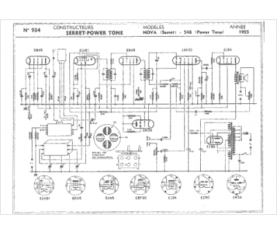
Marque :
Serret
Modèle :
Nova
Type appareil :
récepteur à tubes
Année :
1955
