
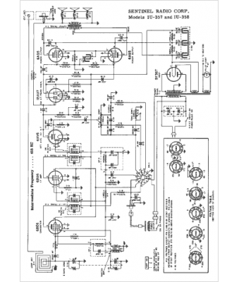
Marque :
Sentinel
Modèle :
IU-358
Type appareil :
récepteur à tubes
Année :
1955
Pays d'origine :
États-Unis
