
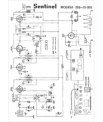
Marque :
Sentinel
Modèle :
352
Type appareil :
récepteur à tubes
Année :
1954
Pays d'origine :
États-Unis
