
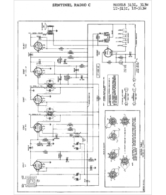
Marque :
Sentinel
Modèle :
313-I
Type appareil :
récepteur à tubes
Année :
1949
Pays d'origine :
États-Unis
