
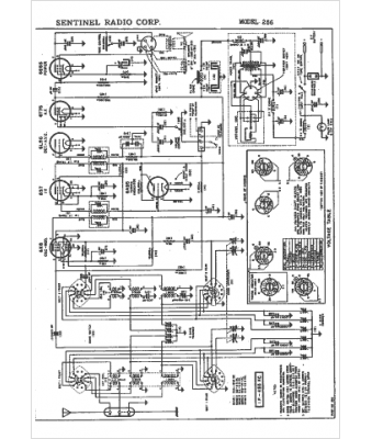
Marque :
Sentinel
Modèle :
256
Type appareil :
récepteur à tubes
Année :
1942
Pays d'origine :
États-Unis
