
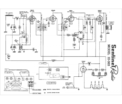
Marque :
Sentinel
Modèle :
1U-363
Type appareil :
récepteur à tubes
Année :
1956
Pays d'origine :
États-Unis
