
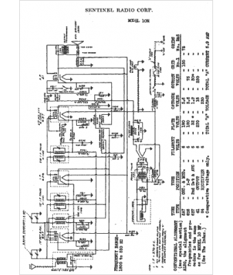
Marque :
Sentinel
Modèle :
10M
Type appareil :
récepteur à tubes
Année :
1939
Pays d'origine :
États-Unis
