
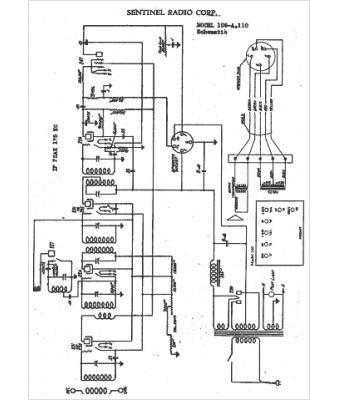
Marque :
Sentinel
Modèle :
108-A
Type appareil :
récepteur à tubes
Année :
1932
Pays d'origine :
États-Unis
